圖1顯示了模擬I/O PAD模塊的傳統ESD方法。它由一個連接Vss到I/O PAD的二極管和連接I/O PAD模塊到Vdd的二極管以及在Vdd和Vss之間的電源/軌鉗位組成[1-5]。
IC設計人員之所以喜歡它,是因為這兩個二極管的設計容易實現且硅占用面積小,寄生電容相當低。
圖1:應用于許多I/O PAD模塊的傳統ESD方法:一個從Vss到I/O的二極管,另一個從I/O到Vdd的二極管。一個動力鉗用于1/2應力組合。
對于敏感節點,IC設計人員會在I/O與電路之間增加一個隔離電阻,以增加ESD設計窗口。如果功能電路無法處理靜電釋放(ESD)電流,則在隔離電阻后面添加一個次級鉗位(圖2)。
圖2:有時,IC設計人員會在I/O PAD模塊和電路之間增加一個電阻,并在敏感電路前安放一個小的次級鉗位。這會增加ESD設計窗口。
這種簡單的方法存在多個問題,特別是高速接口的問題:
(1)隔離電阻嚴重影響高速運行效果并增加了噪聲。
(2)ESD二極管可能會在信號PAD和電源線之間引入過多的寄生電容。
(3)由于PAD和Vdd之間的噪聲耦合或信號電壓可能高于參考Vdd電壓,也有可能是因為配型問題,某些接口無法承受從I/O PAD模塊到Vdd的二極管帶來的電壓刺激。
(4)對于敏感節點,預期ESD電流路徑上的總壓降可能高于功能電路的故障電壓[5]。
減少電容(問題2)并提高電壓容限(問題3)的簡單方法是串聯使用2個或更多個二極管。但是,這會導致在ESD應力出現更高的電壓降,從而惡化問題4。2017年,提出了具有新型雙極概念的替代方案[6-7]。
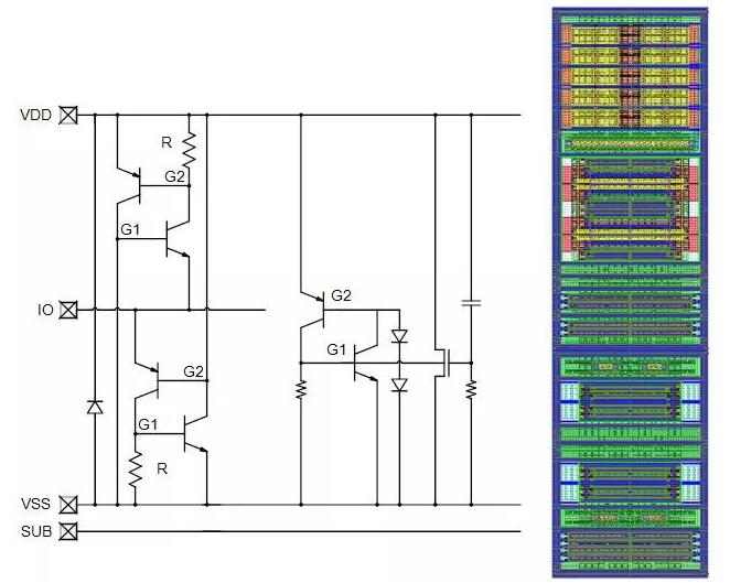
本文討論的項目中,IC設計人員使用局部保護鉗位概念代替了傳統的雙二極管ESD方法,如圖3所示。如果功能性操作不能承受二極管從“ IN”到Vdd,則可以將其取下。這對于安全故障,熱插拔,漏極開路輸出,冷備用輸入或耐壓過高的接口來說是很典型的現象[8]。
圖3:采用局部鉗位ESD保護的簡化電路原理圖。如果需要進行功能操作,則可以去除IN和Vdd之間的二極管。在某些情況下,Vdd和“ IN”之間會再添加一個鉗位。
局部鉗位方法具有很多優點:
(1)減少對總線電阻的依賴
(2)ESD條件下的壓降大大降低,而無需隔離電阻,非常適合敏感節點。
(3)為減少寄生電容提供了不同的選項(請參見下面的案例研究)
(4)可以分別針對每個I/O PAD進行優化。例如: 一些PAD可能需要更高的ESD耐受性,否則無法承受I/O和Vdd之間二極管的放電。
下面的案例研究總結了幾種具有(超)低寄生電容的局部鉗位方法,以保護從28nm CMOS到7nm FinFET各類的高速SerDes接口。在案例研究中使用了基于SCR的不同類型的局部鉗位(圖4)。二極管觸發式SCR和ESD-on-SCR以前用于保護無線LNA接口[9]。
圖4:案例研究中使用的兩個ESD保護夾。一旦IO電平將二極管壓降(Anode-G2)升高到高于Vdd電壓,就會觸發Sofics ESD-on-SCR。一旦AnodeG2和觸發二極管被正向偏置,則Sofics DTSCR打開。
1.FPGA 28nm, 28Gbps SerDes
臺積電(TSMC)28nm中的一系列*FPGA產品,客戶需要定制的ESD保護單元。28Gbps SerDes接口需要以下規格:
-寄生電容遠低于100fF。
-ESD等級:> 1kV HBM;> 250V CDM
選擇了Sofics DTSCR鉗位的縮小版本作為Tx和Rx接口的本地保護。在隔離電阻后面增加了一個次級本地CDM鉗位,以保護Rx情況下的薄柵極氧化物(圖5)。DTSCR,反向二極管和金屬連接的寄生電容保持在80fF以下。
圖5:28Gbps SerDes Rx(輸入)階段的示意圖,顯示了用于增強CDM保護的DTSCR本地鉗位和二級保護階段。
為了滿足S11–回波損耗規范,在DTSCR上串聯了一個電感器(圖6)。符合包括CDM在內的所有規范。FPGA器件以4.5A的峰值電流達到300V以上。所有分析結果均已在IEW 2011活動中展示[10]。
圖6:為了滿足S11規范,在DTSCR上串聯了一個電感器。線圈降低了10 GHz和20 GHz時的S11峰值。
2.通用SerDes 16nm,28Gbps
具有16納米制程的28 Gbps SerDes的高速(數據中心)通信芯片需要定制的ESD保護方案。
本地ESD鉗位必須滿足這些要求:
-在ESD應力低于3.3V時具有故障電壓的敏感薄氧化物0.8V核心晶體管的保護
-低泄漏ESD鉗位,在高溫(125°C)下低于10nA
-小硅片占用空間,可在同一通信芯片上啟用多個通道
-無電阻
- > 2kV HBM
-最大ESD結電容為100fF
圖7:Tx接口的差分對的保護概念的示意圖。在差分對的兩個路徑上都添加了一個本地鉗位和并聯反向二極管。
基于對TSMC16nm FinFET技術的芯片進行的廣泛分析,選擇了ESD-on-SCR概念作為本地鉗位器件。TLP數據如圖8所示。
在小于1.000um2的面積內保護2安培以上的薄氧化物器件。高溫下的泄漏約為1nA。
圖8:用作本地鉗位器件的SCR上ESD器件的TLP測量。在達到薄氧化物晶體管的故障電壓之前,器件達到2A以上。
圖9:SCR上ESD的電容仿真(Spice)。在PAD的電壓范圍內,電容均保持在100fF的目標電平以下。
為了確保ESD保護鉗位不影響高速SerDes的運行,在PAD電壓上模擬了寄生結電容,如圖9所示。使用了基于二極管結的等效模型來模擬靜電保護單元的電容負載。
3.硅光子學28nm,28Gbps
幾家從事新型光收發器工作的公司聯系我們尋求支持。對于常規的低速I/O(1.8V),鑄造廠提供的模擬/數字I/O庫已足夠。這些PAD的ESD要求為2kV HBM。
另一方面,代工廠庫中的模擬I/O為高速接口引入了過多的寄生電容。設計人員要求將ESD的總電容減小到15fF以下。
28nm CMOS SoC與硅光子器件共同封裝在共享/混合集成封裝中(圖10)。由于這種倒裝芯片組裝是在ESD控制的環境中進行的,因此ESD保護級別可以降低至200V HBM,而不會影響成品率。

圖10 :(示例)使用倒裝芯片鍵合工藝將電子IC(驅動器)封裝在硅光子器件上(?IOP 2016 [11])。
圖11:在硅光子SerDes接口中使用的簡化的Tx /輸出電路。
28Gbps接口使用差分對概念,如圖11所示。使用0.9V核心晶體管創建1V功能電路,以確保可以達到開關速度。但是,這些晶體管將Rx,Tx信號的可用ESD設計窗口減小到4V。
ESD保護的其他要求包括低漏電操作和小硅面積。
ESD保護設計包括完整的本地保護鉗位概念,如圖12所示。集成了1V電源鉗位,以確保所有應力情況都可以在接口處進行本地處理,并消除了母線電阻的影響。整個鉗位結構與基板隔離,以減少來自襯底的噪聲,這些噪聲可能來自芯片上與之較遠的數字電路。
圖12:SerDes電路的Rx和Tx節點的完整本地保護方法的示意圖(左)?;赟CR上的ESD器件?;赟CR的1V電源鉗夾集成在同一布局中(右)。ESD的總面積為683.75um2。
I/O PAD模塊上的總寄生電容包括不同方面。結電容可以很容易地從代工廠提供的二極管Spice模型中得出。本地ESD鉗位的金屬連接會增加大量電容。寄生金屬電容可以從PEX提取中得出。減小金屬連接的寬度可以減小電容,但也會降低線路的穩定性。最小金屬寬度是由我們通過對不同弄金屬實施ESD應力得出的。
當客戶要求使用超低電容(遠低于100fF)的ESD保護時,PEX提取中將包括Metal dummy部分。
通過迭代過程(布局,PEX提?。珽SD鉗位電路的總寄生電容減小至小于15fF。下圖將顯示此過程中的不同步驟。下圖(圖13)顯示了電容值與PAD上偏置電壓的關系。
必須減小對地的寄生電容,以防止高頻信號分流到地。
公式1:電容電抗Xc(以歐姆為單位)與信號頻率(f)和電容(C)成反比
對于高頻(> 50 Ghz),寄生電容表現為對地的電阻。該阻抗必須足夠高。15 fF的電容在50 GHz時的電阻約為200歐姆。
在迭代過程中,為了減少金屬連接對寄生電容的影響,使用了一些規則
-移除不必要的過孔連接
-盡可能減少金屬1,僅將其放在連接擴散區的頂部。
-防止金屬層1穿過結區。
-垂直(向上)連接
即使通過以上方法降低寄生電容,在*節點上仍有42%的寄生電容與金屬連接有關。
圖13:I / O電壓上的寄生電容(僅總電容和結電容)。
使用HBM ESD應力的瞬態Spice模擬,將圖12的局部鉗位方法與其他2個概念進行了比較
-概念1:建議的局部鉗位
-概念2:Foundry提供的I/O PAD模塊(雙二極管和Foundry建議的核心功率鉗位)
-概念3:雙二極管與Sofics 1V核心保護鉗位組合
從圖14可以清楚地看到,概念2和3產生的壓降遠高于基于薄氧化物晶體管[12]的敏感電路的故障電壓(4V)[12]。
圖14:HBM應力下的瞬態Spice模擬。比較了3個概念,以驗證在ESD應力期間敏感節點上的電壓降保持在最大4V以下。只有建議的局部鉗位才能使ESD應力低于4V。使用1kV HBM應力和ESD器件縮放至1kV穩健性進行了比較。使用組合的NPN/PNP模型模擬SCR局部鉗位的驟回。
4.硅光子7nm FinFET
為了進一步增加光互連的帶寬(超過56 Gbps),我們的客戶采用了TSMC 7nm FinFET技術。
所提出的解決方案類似于圖12。創建了兩種版本的ESD保護,一種具有50fF的寄生電容,另一種具有15fF以下的小電容。在論文中,將包括這些案例研究。
臺積電(TSMC)的7納米FinFET工藝的初步測試表明,SCR上的ESD本地鉗位電路具有預期的效果(圖15)。
在7nm技術中,內核晶體管(柵極到源極和漏極到源極)的故障電壓約為3V。幸運的是,在許多SerDes應用中,由于其他晶體管串聯在一起,會有更多的余量(圖11)。根據電路原理,這些電路的故障電壓約為4-5V。
7nm ESD鉗位已集成到2個用于高速接口的設計中。在撰寫本文時,這些產品樣本尚未到位,因此CDM數據尚不可用。
圖15:基于TSMC 7nm技術的ESD-on-SCR概念的TLP分析。保護敏感的內核晶體管。這種用于2kV HBM性能的參考器件已按比例縮小到15fF和50fF版本,以保護高速SerDes。
總結
用于模擬I/O PAD模塊的傳統“雙二極管” ESD保護概念在保護*CMOS和FinFET節點中的高速SerDes接口時遇到了問題。二極管,總線電阻和功率鉗位上的總壓降很容易超過核心晶體管的故障電壓。此外,“二極管向上”增加了限制因素。
這項工作顯示了幾個案例研究,其中雙二極管概念被替換為本地ESD保護鉗位。
基于專有的二極管觸發和ESD-on-SCR器件的I/O PAD模塊。本地鉗位降低了總線電阻的依賴性,降低了鉗位電壓,并允許分別優化每個模擬I/O。此外,這些案例表明,可以創建具有非常低的寄生電容和較小的硅面積的ESD保護。
數據基于*CMOS和FinFET節點上的專用ESD測試芯片。這項工作中的模擬I/O被20多家公司用于保護28nm CMOS,16nm/12nm和7nm FinFET技術的高速SerDes接口。
免責聲明:本文轉載自“IP與SOC設計”,支持保護知識產權,轉載請注明原出處及作者,如有侵權請聯系我們刪除。